How will you conclude that the same potential
How will you conclude that the same potential difference (Voltage) exists across three resistors connected in parallel arrangement to a battery ?
Perform an activity to investigate the relation between potential difference across parallel combination of resistors and the potential difference across each individual resistors,
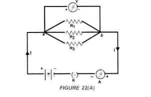
- Connect three resistors of resistances R1, R2 and R3 in parallel. One end of each resistor is joined at a common point ‘a’ and the other end of each resistor is connected at another common point ‘b’.
- Connect the parallel combination of resistors with a battery, a plug key K and an ammeter A as shown in figure 22(A).

3. Now connect a voltmeter across the parallel combination of resistors between a and b points.
4. Note the reading of voltmeter. Let it be $V$. This is the potential difference across the parallel combination of resistors.
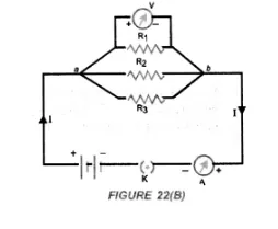
5. Now, disconnect the voltmeter and connect it across $R_{1}$ as shown in figure $22(B)$.

6. Note the reading of voltmeter. It is found to be $\mathrm{V}$.
7. Disconnect the voltmeter and connect it across $R_{2}$. Note the reading of voltmeter. It is found to be $V$.
8. Again disconnect the voltmeter and connect it across $R_{3}$. Note the reading of voltmeter. It is found to be $v$.
Conclusion : When resistors are connected in parallel to each other, potential difference across each resistor is equal to the potential difference across the parallel combination of resistors.