Choose the correct waveform that can represent the voltage
Question:
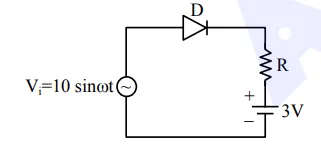
Choose the correct waveform that can represent the voltage across $R$ of the following circuit, assuming the diode is ideal one:

Correct Option: , 3
Solution:
When $\mathrm{V}_{\mathrm{i}}>3$ volt, $\mathrm{V}_{\mathrm{R}}>0$
Because diode will be in forward biased state
When $\mathrm{V}_{\mathrm{i}} \leq 3$ volt $; \mathrm{V}_{\mathrm{R}}=0$
Because diode will be in reverse biased state.



