In the given figure, each diode has a forward bias resistance
Question:
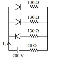
In the given figure, each diode has a forward bias resistance of $30 \Omega$ and infinite resistance in reverse bias. The current $I_{1}$ will be :

Correct Option: , 3
Solution:

As per diagram, Diode D1 & D2 are in forward bias i.e. R = 30: whereas diode D3 is in reverse bias i.e. R = infinite
$\Rightarrow$ Equivalent circuit will be
Applying KVL starting from point A

$-\left(\frac{I_{1}}{2}\right) \times 30-\left(\frac{I_{1}}{2}\right) \times 130-I_{1} \times 20+200=0$
$\Rightarrow-100 \mathrm{I}_{1}+200=0$
$\mathrm{I}_{1}=2$