Question:
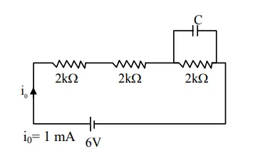
A capacitor of $50 \mu \mathrm{F}$ is connected in a circuit as shown in figure. The charge on the upper plate of the capacitor is__________ $\mu \mathrm{C} .$

Solution:

Pot. Diff. across each resistor $=2 \mathrm{~V}$
$\mathrm{q}=\mathrm{CV}$
$=50 \times 10^{-6} \times 2=100 \times 10^{-6}=100 \mu \mathrm{C}$