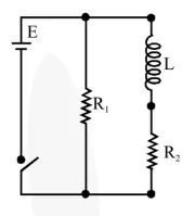
An inductor of inductance L=400mH and resistors of resistances
Question:
An inductor of inductance $\mathrm{L}=400 \mathrm{mH}$ and resistors of resistances $\mathrm{R}_{1}=2 \Omega$ and $\mathrm{R}_{2}=2 \Omega$ are connected to a battery of emf $12 \mathrm{~V}$ as shown in the figure. The internal resistance of the battery is negligible. The switch $\mathrm{S}$ is closed at $\mathrm{t}=0$. The potential drop across $\mathrm{L}$ as a function of time is:-

Correct Option: , 2
Solution:
