Question:
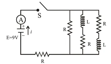
Figure shows a circuit that contains four identical resistors with resistance $\mathrm{R}=2.0 \Omega$, two identical inductors with inductance $\mathrm{L}=2.0 \mathrm{mH}$ and an ideal battery with emf $\mathrm{E}=9 \mathrm{~V}$. The current ' $i$ ' just after the switch 'S' is closed will be :

Correct Option: 1
Solution:
Just after the switch is closed, inductor will behave like infinite resistance (open circuit) so the circuit will look like

Option (1) is correct.