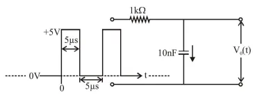
For the given input voltage waveform
For the given input voltage waveform $V_{\text {in }}(t)$, the output voltage waveform $\mathrm{V}_{\mathrm{D}}(\mathrm{t})$, across the capacitor is correctly depicted by:

Correct Option: 1

$\mathrm{V}_{0}(\mathrm{t})=\mathrm{V}_{\text {in }}\left(1-\mathrm{e}^{-\frac{t}{R C}}\right)$
at $\mathrm{t}=5 \mu \mathrm{s}$
$\mathrm{V}_{0}(\mathrm{t})=5\left(1-\mathrm{e}^{\frac{5 \times 10^{-6}}{10^{3} \times 10 \times 10^{-9}}}\right)$
$=5\left(1-\mathrm{e}^{-0.5}\right)=2 \mathrm{~V}$
Now $\mathrm{V}_{\mathrm{in}}=0$ means discharging
$V_{0}(t)=2 e^{-\frac{t}{R C}}=2 e^{-0.5}$
$=1.21 \mathrm{~V}$
Now for next $5 \mu \mathrm{s}$
$\mathrm{V}_{0}(\mathrm{t})=5-3.79 \mathrm{e}^{\frac{\mathrm{t}}{\mathrm{RC}}}$
after $5 \mu \mathrm{s}$ again
$\mathrm{V}_{0}(\mathrm{t})=2.79 \mathrm{Volt} \approx 3 \mathrm{~V}$
Most approperiate Ans.
(1)



