How will you infer with the help of an experiment
How will you infer with the help of an experiment that the same current flows through every part of the circuit containing three resistances in series connected to a battery ?
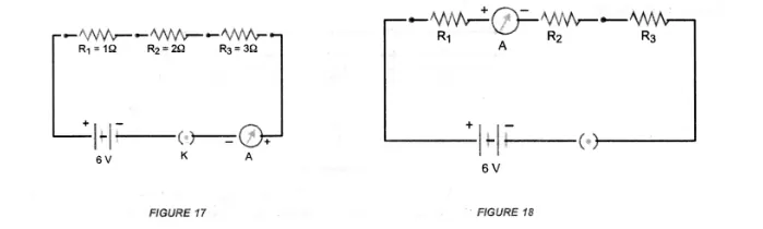
Perform an activity to show that in series combination of resistors, same current flows through each resistor.
- Connect three resistors of resistances R1 = 1Ω, R2 = 2Ω and R3 = 3Ω in series. (C.B.S.E. 2014)
- Connect the series combination of resistors with a battery of 6 V, a plug key K and an ammeter A as shown in figure 17.
- Note the reading of ammeter after plugging the key. Let it be I.

4. Now disconnect ammeter and connect it in between the resistors $R_{1}$ and $R_{2}$ as shown in figure 18 .
5. Again plug the key and note the reading of ammeter. It is found that again it is $I$.
6. Now disconnect the ammeter and connect it in between the resistors $R_{2}$ and $R_{3}$.
7. Plug the key and note the reading of ammeter. Again it is found to be 1 .
Conclusion : Same amount of current flows through each resistor or element connected in series combination.