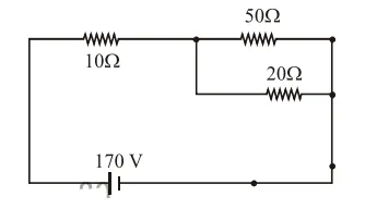
The voltage across the
Question:
The voltage across the $10 \Omega$ resistor in the given circuit is $\mathrm{x}$ volt.

The value of ' $x$ ' to the nearest integer is________.
Solution:
$\mathrm{R}_{\mathrm{eq}_{1}}=\frac{50 \times 20}{70}=\frac{100}{7}$

$\mathrm{R}_{\mathrm{eq}}=\frac{170}{7}$
$v_{1}=\left[\frac{170}{\frac{170}{7}}\right] \times 10=70 \mathrm{v}$
Ans. $=70.00$