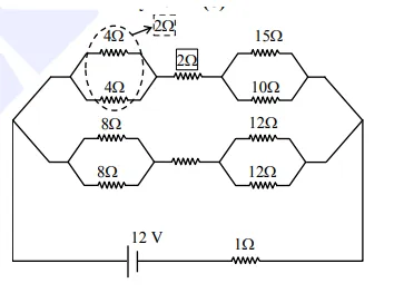
Question:
The voltage drop across $15 \Omega$ resistance in given figure will be $\mathrm{V}$________.

Solution:

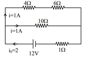
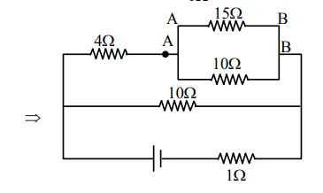
$\Rightarrow$ effective circuit diagram will be



Point drop across $6 \Omega=1 \times 6=6=\mathrm{V}_{\mathrm{AB}}$
$\Rightarrow$ Hence point drop across $15 \Omega=6$ volt $=\mathrm{V}_{\mathrm{AB}}$