Question:
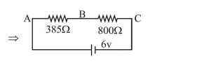
Two resistors $400 \Omega$ and $800 \Omega$ are connected in series across a $6 \mathrm{~V}$ battery. The potential difference measured by a voltmeter of $10 \mathrm{k} \Omega$ across $400 \Omega$ resistor is close to:
Correct Option: , 2
Solution:


So the potential difference in voltmeter across
the points $\mathrm{A}$ and $\mathrm{B}$ is $\frac{6}{1185} \times 385=1.949 \mathrm{~V}$