Question:
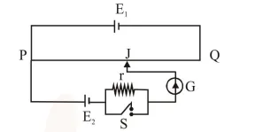
A potentiometer wire PQ of $1 \mathrm{~m}$ length is connected to a standard cell $\mathrm{E}_{1}$. Another cell $\mathrm{E}_{2}$ of emf $1.02 \mathrm{~V}$ is connected with a resistance 'r' and switch S (as shown in figure). With switch $S$ open, the null position is obtained at a distance of $49 \mathrm{~cm}$ from Q. The potential gradient in the potentiometer wire is:

Correct Option: 1
Solution:
Balancing length is measured from $P .$
So $\quad 100-49=51 \mathrm{~cm}$
$\mathrm{E}_{2}=\phi \times 51$
Where $\phi=$ Potential gradient
$1.02=\phi \times 51$
$\phi=0.02 \mathrm{~V} / \mathrm{cm}$