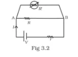
Consider a simple circuit in the figure.
Question:
Consider a simple circuit in the figure.

stands for a variable resistance R’. R’ can vary from R0 to infinity. r is internal resistance of the battery
(a) potential drop across AB is nearly constant as R’ is varied
(b) current through R’ is nearly a constant as R’ is varied
(c) current I depends sensitively on R’
(d) I ≥V/r+R always
Solution:
The correct answer is
(a) potential drop across AB is nearly constant as R’ is varied
(d) I ≥V/r+R always