Find the acceleration of the block of mass
Question:
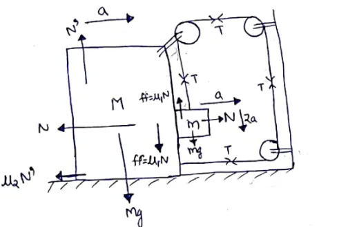
Find the acceleration of the block of mass $M$ in the situation of figure. The coeffiicient of friction between the two blocks is $\mu 1$, and that between the bigger block and the ground is $\mu 2$.

Solution:
When a block $M$, moves with acceleration a towards right block $m$ moves downwards and rightwards with acceleration $2 a$ and a respectively.

Drawing FBD of M mass

