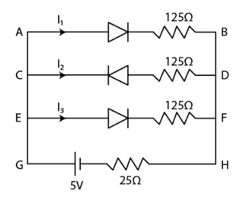
Question:
If each diode in the figure has a forward bias resistance of 25Ω and infinite resistance in reverse bias, what will be the values of the current I1, I2, I3 and I4?

Solution:
Forward bias resistance = 25 ohms
Reverse biased resistance = infinity
I3 = 0
Resistance in AB = 150 ohms
Resistance in EF = 150 ohms
AB is parallel to EF
Effective resistance, R’ = 75 ohm
Resistance R of the circuit = R’ = 100 ohms
Current = 0.05 A
I2 = 0.025 A
I4 = 0.025 A
Therefore,
I1 = 0.05 A
I2 = 0.025 A
I3 = 0
I4 = 0.025 A