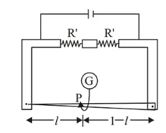
In a meter bridge, the wire of length $1 \mathrm{~m}$ has a non-uniform
cross-section such that, the variation $\frac{\mathrm{dR}}{\mathrm{dl}}$ of its resistance
$\mathrm{R}$ with length $l$ is $\frac{\mathrm{dR}}{\mathrm{dl}} \propto \frac{1}{\sqrt{l}}$. Two equal resistances are connected as shown in the figure. The galvanometer has zero deflection when the jockey is at point P. What is the length AP?

Correct Option: , 3
(3) We have given
$\frac{\mathrm{dR}}{\mathrm{d} \ell} \propto \frac{1}{\sqrt{\ell}} \Rightarrow \frac{\mathrm{dR}}{\mathrm{d} \ell}=\mathrm{k} \times \frac{1}{\sqrt{\ell}}$ (where $\mathrm{k}$ is constant)
$\mathrm{dR}=\mathrm{k} \frac{\mathrm{d} \ell}{\sqrt{\ell}}$
Let $R_{1}$ and $R_{2}$ be the resistance of AP and PB respectively.
Using wheatstone bridge principle
$\therefore \frac{\mathrm{R}^{\prime}}{\mathrm{R}^{\prime}}=\frac{\mathrm{R}_{1}}{\mathrm{R}_{2}}$ or $\mathrm{R}_{1}=\mathrm{R}_{2}$
Now, $\int \mathrm{d} \mathrm{R}=\mathrm{k} \int \frac{\mathrm{d} \ell}{\sqrt{\ell}}$
$\therefore \mathrm{R}_{1}=\mathrm{k} \int_{0}^{\ell} \ell^{-1 / 2} \mathrm{~d} \ell=\mathrm{k} \cdot 2 \cdot \sqrt{\ell}$
$\mathrm{R}_{2}=\mathrm{k} \int_{\ell}^{1} \ell^{-1 / 2} \mathrm{~d} \ell=\mathrm{k} \cdot(2-2 \sqrt{\ell})$
Putting $\mathrm{R}_{1}=\mathrm{R}_{2}$
$\mathrm{k} 2 \sqrt{\ell}=\mathrm{k}(2-2 \sqrt{\ell})$
$\therefore 2 \sqrt{\ell}=1$
$\sqrt{\ell}=\frac{1}{2}$
i.e., $\ell=\frac{1}{4} \mathrm{~m} \Rightarrow 0.25 \mathrm{~m}$