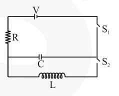
In an LCR circuit as shown below both switches are open initially.
Question:
In an $L C R$ circuit as shown below both switches are open initially. Now switch $S_{1}$ is closed, $S_{2}$ kept open, ( $\mathrm{q}$ is charge on the capacitor and $\tau=\mathrm{RC}$ is Capacitive time constant). Which of the following statement is correct?

Correct Option: , 3
Solution:
