Question:
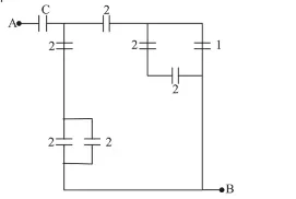
In the circuit shown, find $\mathrm{C}$ if the effective capacitance of the whole circuit is to be $0.5 \mu \mathrm{F}$. All values in the circuit are in $\mu \mathrm{F}$.

Correct Option: 1
Solution:

For series combination
$\frac{1}{\mathrm{C}_{\mathrm{eq}}}=\frac{1}{\mathrm{C}_{1}}+\frac{1}{\mathrm{C}_{2}}$
$\Rightarrow \frac{\frac{7 \mathrm{C}}{3}}{\frac{7}{3}+\mathrm{C}}=\frac{1}{2}$
$\Rightarrow 14 \mathrm{C}=7+3 \mathrm{C}$
$\Rightarrow \mathrm{C}=\frac{7}{11} \mu \mathrm{F}$