Question:
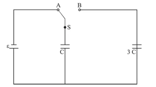
In the figure shown, after the switch ' $\mathrm{S}$ ' is turned from position 'A' to position 'B', the energy dissipated in the 'circuit in terms of capacitance ' $\mathrm{C}$ ' and total charge ' $\mathrm{Q}$ ' is:

Correct Option: , 2
Solution:
(2) Energy stored in the system initially
$\mathrm{U}_{\mathrm{i}}=\frac{1}{2} \mathrm{CE}^{2}$
$\mathrm{U}_{\mathrm{f}}=\frac{1}{2} \frac{\mathrm{Q}^{2}}{\mathrm{C}_{\mathrm{eq}}}=\frac{(\mathrm{CE})^{2}}{2 \times 4 \mathrm{C}}=\frac{1}{2} \frac{\mathrm{CE}^{2}}{4}$
$\left[\mathrm{As} \mathrm{Q}=\mathrm{CE}\right.$, and $\left.\mathrm{C}_{\mathrm{eq}}=4 \mathrm{C}\right]$
$\Delta \mathrm{U}=\frac{1}{2} \mathrm{CE}^{2} \times \frac{3}{4}=\frac{3}{8} \mathrm{CE}^{2}=\frac{3}{8} \frac{\mathrm{Q}^{2}}{\mathrm{C}}$