Solve this following
Question:
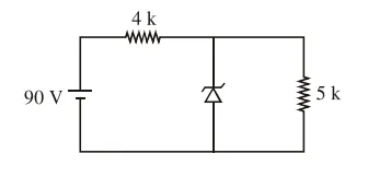
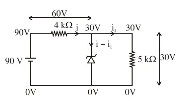
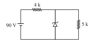
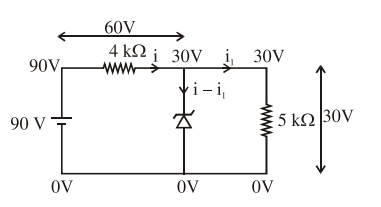
The zener diode has a $\mathrm{V}_{\mathrm{z}}=30 \mathrm{~V}$. The current passing through the diode for the following circuit is ......... mA.

Solution:

$i=\frac{60}{4000} A$
$\mathrm{i}_{1}=\frac{30}{5000} \mathrm{~A}$
$i-i_{1}=\frac{60}{4000}-\frac{30}{5000}=\frac{9}{1000} \mathrm{~A}$
current from zener diode
$\mathrm{i}_{\mathrm{z}}=\mathrm{i}-\mathrm{i}_{1}=9 \mathrm{~mA}$