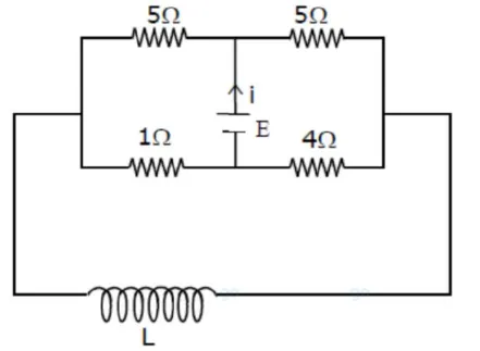
The current (i) at time $t=0$ and $t=\infty$ respectively for the given circuit is :

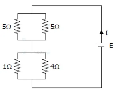
$\mathrm{R}_{\mathrm{eq}}=\frac{1 \times 4}{1+4}+\frac{5 \times 5}{5+5}$
Correct Option: , 3
(3)

at $t=0$, inductor is removed, so circuit will look like this at $t=0$

$\mathrm{R}_{\mathrm{eq}}=\frac{6 \times 9}{6+9}=\frac{54}{15}$
$\mathrm{I}(\mathrm{t}=0)=\frac{\mathrm{E} \times 15}{54}=\frac{5 \mathrm{E}}{18}$
at $t=\infty$, inductor is replaced by plane wire, so circuit will look like this at $t=\infty$

$I(t=\infty)=\frac{E}{\frac{5}{2}+\frac{4}{5}}=\frac{10 E}{33}$
Now

$\mathrm{R}_{\mathrm{eq}}=\frac{1 \times 4}{1+4}+\frac{5 \times 5}{5+5}$
$=\frac{4}{5}+\frac{5}{2}=\frac{8+25}{10}=\frac{33}{10}$
$\mathrm{I}=\frac{\mathrm{E}}{\mathrm{R}_{\mathrm{eq}}}=\frac{10 \mathrm{E}}{33}$