Question:
The current $i$ in the network is:

Correct Option: , 3
Solution:
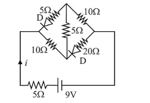
(3) Both the diodes are reverse biased, so, there is no flow of current through $5 \Omega$ and $20 \Omega$ resistances.
Now, two resistors of $10 \Omega$ and two resistors of $5 \Omega$ are in series.
Hence current $I$ through the network
$I=\frac{V}{\mathrm{R}_{\mathrm{eq}}}=\frac{9}{10+5+10+5}$
$\Rightarrow I=\frac{9}{30}=0.3 \mathrm{~A}$