The value of $x$ to the nearest integer is

Question:

The value of $x$ to the nearest integer is

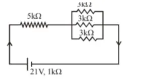
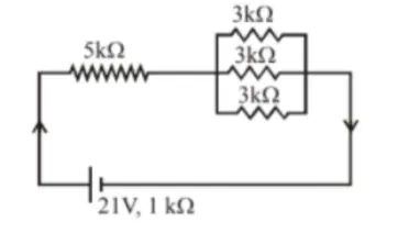
In the figure given, the electric current flowing through the $5 \mathrm{k} \Omega$ resistor is 'x' mA.

The value of $x$ to the nearest integer is

Solution:

(3)

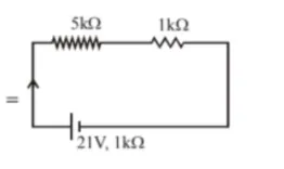
$I=\frac{21}{5+1+1}=3 \mathrm{~mA}$

Leave a comment