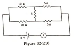
What should be the value of R in figure (32-E 16)

Question:

What should be the value of $R$ in figure $(32-E 16)$ for which the current in it is zero?

Solution:

The circuit is in wheat stone symmetry So, for all values of $R$, current=0.

Leave a comment