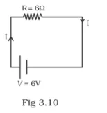
Question:
(a) Consider the circuit in the figure. How much energy is absorbed by electrons from the initial state of no current to the state of drift velocity?
(b) Electrons give up energy at the rate of RI2 per second to the thermal energy. What time scale would one associate with energy in problem a) n = no of
electron/volume = 1029/m3, length of circuit = 10 cm, cross-section = A = 1mm2

Solution:
(a) Current is given as I = V/R from the Ohm’s law
Therefore, I = 1A
But, I = neAvd
vd = I/neA
When the values for the above parameters are substituted, vd = 1/1.6 × 10-4 m/s
The KE = (KE of one electron)(no.of electrons) = 2 × 10-17J
(b) Power loss, P = I2R = 6 J/s
P = E/t
E = Pt
t = E/P = 10-17 s