A current of 1 ampere flows in a series circuit containing
A current of 1 ampere flows in a series circuit containing an electric lamp and a conductor of 5Ω when connected to a 10V battery. Calculate the
resistance of the electric lamp.
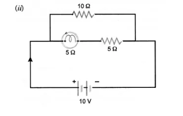
Now if a resistance of 10Ω is connected in parallel with this series combination, what change (if any) in current flowing through 5Ω condcutor and
potentional difference across the lamp will take place ? Give reason. Draw circuit diagram.
(CBSE 2010)

Let $\quad R_{1}=$ resistance of electric lamp.
Total resistance of the ciruit, $R=\left(R_{1}+5\right) \Omega$
Voltage, $\quad \mathrm{V}=10 \mathrm{~V}$
Current, $\quad I=1 \mathrm{~A}$
Using, $\quad V=I R$, we get
$10=1 \times\left(R_{1}+5\right)$ or $R_{1}+5=10$
or $\quad \mathrm{R}_{1}=5 \Omega$

Net resistance of lamp and conductor connected in series = 5 + 5 = 10Ω
Net resistance of the combination oflamp and conductor and resistance 10Ω connected in parallel,
$\frac{1}{R}=\frac{1}{10}+\frac{1}{10}=\frac{1}{5}$ or $R=5 \Omega$
$\therefore$ Current flowing in the circuit, $\mathrm{I}=\frac{\mathrm{V}}{\mathrm{R}}=\frac{10}{5}=2 \mathrm{~A}$
It means 1A current will flow through 10Ω resistance and 1A current will flow through the lamp and conductor of 5Ω resistance. Hence, there is no
change in the current through 5Ω conductor.
Now potential difference across the lamp in case (i)
V = IR = 1 x 5 = 5V
Potential difference across the lamp in case (ii)
V = IR = 1 x 5 = 5V
Hence, there is no change in the potential difference across the lamp.