A multirange voltmeter can be constructed by using
Question:
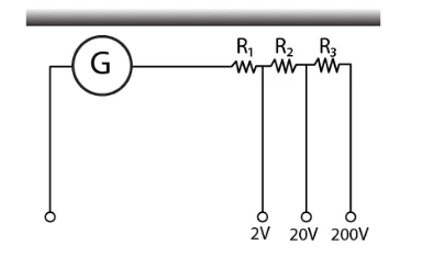
A multirange voltmeter can be constructed by using a galvanometer circuit as shown in the figure. We want to construct a voltmeter that can measure 2V, 20V, and 200V using galvanometer of resistance 10Ω and that produces maximum deflection for a current of 1 mA. Find R1, R2, and R3 that have to be used.

Solution:
iG(G+R1) = 2 for 2V range
iG(G+R1+R2) = 20 for 20V range
iG(G+R1+R2+R3) = 200 for 200V range
Solving the above, we get
R1 = 1990 Ω
R2 = 18kΩ
R3 = 180 kΩ