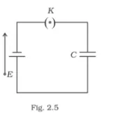
A parallel plate capacitor is connected to a battery
Question:
A parallel plate capacitor is connected to a battery as shown in the figure. Consider two situations:
A: Key K is kept closed and plates of capacitors are moved apart using the insulating handle
B: Key K is opened and plates of capacitors are moved apart using the insulating handle
Choose the correct options

(a) In A: Q remains the same but C changes
(b) In B: V remains the same but C changes
(c) In A: V remains the same and hence Q changes
(d) In B: Q remains the same and hence V changes
Solution:
The correct answer is
(c) In A: V remains the same and hence Q changes
(d) In B: Q remains the same and hence V changes