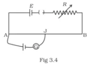
AB is a potentiometer wire.
Question:
AB is a potentiometer wire. If the value of R is increased, in which direction will the balance point J shift?

Solution:
When the value of R is increased, the potential difference across AB decreased and hence the potential gradient across AB decreases. This is given as E’ = kl
Jockey shifts towards B when the balance length l increases.