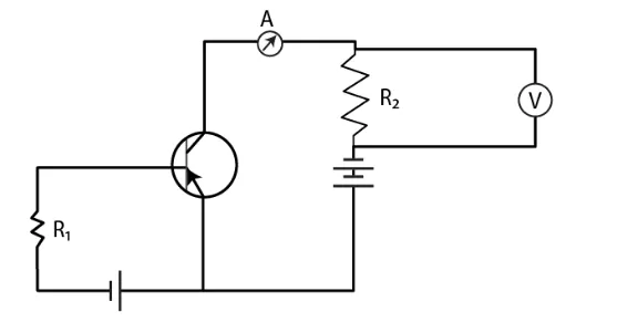
If the resistance R1 is increased,
Question:
If the resistance R1 is increased, how will the readings of the ammeter and voltmeter change?

Solution:
IbR1 + Vbe = Vbb
Base current = Ib = Vbb – Vbe/R1
Ib is proportional to 1/R1
Therefore, when R1 is increased, Ib decreases.