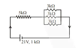
In the figure given, the electric current flowing

Question:

In the figure given, the electric current flowing through the $5 \mathrm{k} \Omega$ resistor is ' $\mathrm{x}$ ' $\mathrm{mA}$.

The value of x to the nearest integer is_________

Solution:

$I=\frac{21}{5+1+1}=3 \mathrm{~mA}$

Leave a comment