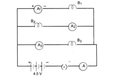
B1, B2 and B3 are three identical bulbs connected as shown in figure.
B1, B2 and B3 are three identical bulbs connected as shown in figure. When all the three bulbs glow, a current of 3A is recorded by the ammeter A.
- What happenes to the glow of other bulbs when the bulb B1 gets fused ?
- What happens to the reading of A1, A2, A3 and A when the bulb B2 gets fused ?
- How much power is dissipated in the circuit when all the three bulbs glow together ?

- The glow of bulb depends upon the energy disspated per second i.e. P =V2/R.
Since V and R of both the bulbs B2 and B3 remain the same even if bulb B, gets fused so glow of B2 and B3 remain the same. - Since bulbs are identical, so their resistance is equal (i.e. resistance of each bulb = R ohm).
When all bulbs glow, net resistnace of the circuit is given by
$\frac{1}{\mathrm{R}^{\prime}}=\frac{1}{\mathrm{R}}+\frac{1}{\mathrm{R}}+\frac{1}{\mathrm{R}}=\frac{3}{\mathrm{R}} \quad$ or $\mathrm{R}^{\prime}=\frac{\mathrm{R}}{3}$
$\mathrm{I}=3 \mathrm{~A}, \mathrm{~V}=4.5 \mathrm{~V}$
Using $\quad V=I R^{\prime}$, we get
$4.5=3 \times \frac{\mathrm{R}}{3} \quad$ or $\quad \mathrm{R}=4.5 \Omega$
When B2 gets fused, only two bulbs B1 and B2 in parallel are in the circuit.
.’. Net resistance of the circuit is given by
$\frac{1}{R}=\frac{1}{4 \cdot 5}+\frac{1}{4 \cdot 5}=\frac{2}{4 \cdot 5}$ or $R=\frac{4 \cdot 5}{2} \Omega$
$\therefore \quad I=\frac{V}{R}=\frac{4.5 \times 2}{4.5}=2 A$
Thus, reading of ammeter $A=2 A$
Since $B_{1}$ and $B_{3}$ are in parallel and have same resistance, so $2 A$ current will be equally distributed between $B_{1}$ and $B_{3}$. Therefore, reading of ammeter $A_{1}=1 A$ Reading of ammeter $A_{3}=1 A$ Circuit containing $B_{2}$ is broken, so no current flows through this circuit. Hence reading of ammeter $A_{2}=z e r o .$
3. Power dissipated in the circuit,
P =V x I
= 4.5 x 3 = 13.5 W