The value of power dissipated across the zener (diode Vz=15V)
Question:
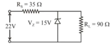
The value of power dissipated across the zener diode $\left(\mathrm{V}_{\mathrm{z}}=15 \mathrm{~V}\right)$ connected in the circuit as shown in the figure is $x \times 10^{-1}$ watt.

The value of $x$, to the nearest integer, is
Solution:
(5)

Voltage across $\mathrm{R}_{\mathrm{S}}=22-15=7 \mathrm{~V}$
Current through $\mathrm{R}_{\mathrm{S}}=\mathrm{I}=\frac{7}{35}=\frac{1}{5} \mathrm{~A}$
Current through $90 \Omega=\mathrm{I}_{2}=\frac{15}{90}=\frac{1}{6} \mathrm{~A}$
Current through zener $=\frac{1}{5}-\frac{1}{6}=\frac{1}{30} \mathrm{~A}$
Power through zener diode
$\mathrm{P}=\mathrm{VI}$
$\mathrm{P}=15 \times \frac{1}{30}=0.5 \mathrm{watt}$
$\mathrm{P}=5 \times 10^{-1}$ watt