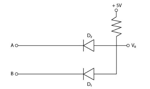
Write the truth table for the circuit shown

Question:

Write the truth table for the circuit shown in the figure. Name the gate that the circuit resembles.

Solution:

The given circuit is AND and the truth table is:

Leave a comment