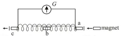
A small bar magnet is moved through a coil at constant speed from one end to the other. Which of the following series of observations will be seen on the galvanometer $G$ attached across the coil ?

Three positions shown describe (1) the magnet's entry
(2) magnet is completely inside and (3) magnet's exit.
Correct Option: 2
(2) Case (a): When bar magnet is entering with constant speed, flux $(\phi)$ will change and an e.m.f. is induced, so galvanometer will deflect in positive direction.
Case (b) : When magnet is completely inside, flux $(\phi)$ will not change, so galvanometer will show null deflection.
Case (c): When bar magnet is making on exit, again flux $(\phi)$ will change and an e.m.f. is induced in opposite direction so galvanometer will deflect in negative direction i.e. reverse direction.



