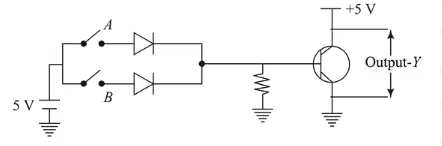
Boolean relation at the output stage- Y for the following circuit is:c
Question:
Boolean relation at the output stage- $Y$ for the following circuit is:

Correct Option: , 4
Solution:

$\mathrm{OR}+\mathrm{NOT} \rightarrow \mathrm{NOR}$ Gate
Hence Boolean relation at the output stage $-Y$ for the circuit,
$Y=\overline{A+B}=\bar{A} \cdot \bar{B}$