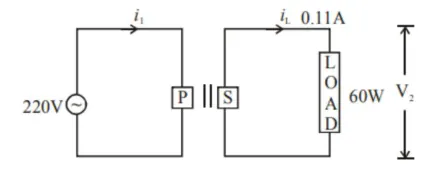
Question: For the given circuit, comment on the type of transformer used :

Auxilliary transformer
Auto transformer
Step-up transformer
Step down transformer
Correct Option: , 3
Solution:
(3)
$V_{S}=\frac{P}{i}=\frac{60}{0.11}=545.45$
$V_{P}=220$
$V_{S}>V_{P}$
$\Rightarrow$ Step up transformer