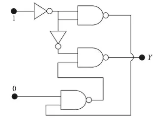
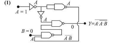
Question: In the given circuit, value of $Y$ is:

0
toggles between 0 and 1
will not execute
1
Correct Option: 1
Solution:

$Y=\overline{\overline{A B} \cdot A}=\overline{\overline{A B}}+\bar{A}=A B+\bar{A}$
For $A=1, B=0$
$Y=(1) \times 0+0$
$\Rightarrow Y=0+0=0$