Wheatstone Meter Bridge - Circuit Diagram || Current Electricity Class 12, JEE NEET
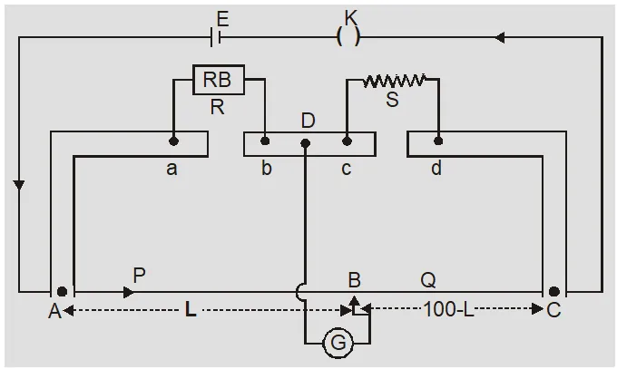
A Meter Bridge also called a slide wire bridge is an instrument that works on the principle of a Wheatstone bridge. A Wheatstone meter bridge is used in finding the unknown resistance of a conductor as that of in a Wheatstone bridge.
The wire is made of manganin because they have low temperature coefficient and large resistivity. The wires are soldered to two thick L shaped copper strips with binding terminals. Between these there is a third copper strip. There are two fixed gaps ab and cd.
(1) It is used to measure unknown resistances $(1 \Omega \text { to } 1000 \Omega)$, for comparision of two unknown resistances and specific resistance of material of wire.
(2) For better accuracy R must be adjusted to obtain L between 40 to 60 cm. It has maximum accuracy when $\mathrm{L} \approx 50 \mathrm{cm}$.
(3) It is more sensitive than PO box but suffers from end resistances.
Browse More Related Topics
SOLVED EXAMPLES
Ex. An unknown resistance S is placed on the left gap and known resistance of $60 \Omega$ in right gap of meter bridge. The point is obtained at 40 cm from left end of bridge. Find the unknown resistance? Sol. $S=R \frac{(100-L)}{L}=60 \frac{(100-60)}{60}=40 \Omega$
Ex. In a meterbridge the length of wire is 100 cm. At what point is balance point obtained if two resistances are in ratio 2 : 3? Sol. $\frac{P}{Q}=\frac{L}{100-L}=\frac{2}{3} \quad$ so $\quad 3 \mathrm{L}=200-2 \mathrm{L} \quad$ or $\quad L=\frac{200}{5}=40 \mathrm{cm}$ Also Read:
- Types and Effects of Electric Current
- Ohm’s Law and Resistance
- Combination of Resistances
- EMF and Internal Resistances of a Cell
- Cells Connected in Series, parallel and Mixed
- Kirchhoff’s Circuit Law
- Electric Currents in Conductors
- Moving Coil galvanometer
- Ammeter and Voltmeter
- Potentiometer Working Principle
Dwnload eSaral App
Comments
Pankaj Joshi
March 28, 2021, 3:32 p.m.
It's very good to see these types of practice questions along topic.
Keep it up. 👍🏻
LAN Wiring Auckland
Dec. 29, 2020, 5:17 p.m.
I really appreciate you for publishing this blog here about wheatstone meter bridge circuit diagram current electricity class 12 jee neet; it’s really a helpful and very useful for us. This is really appreciated that you have presented this data over here, I love all the information shared. Great article!